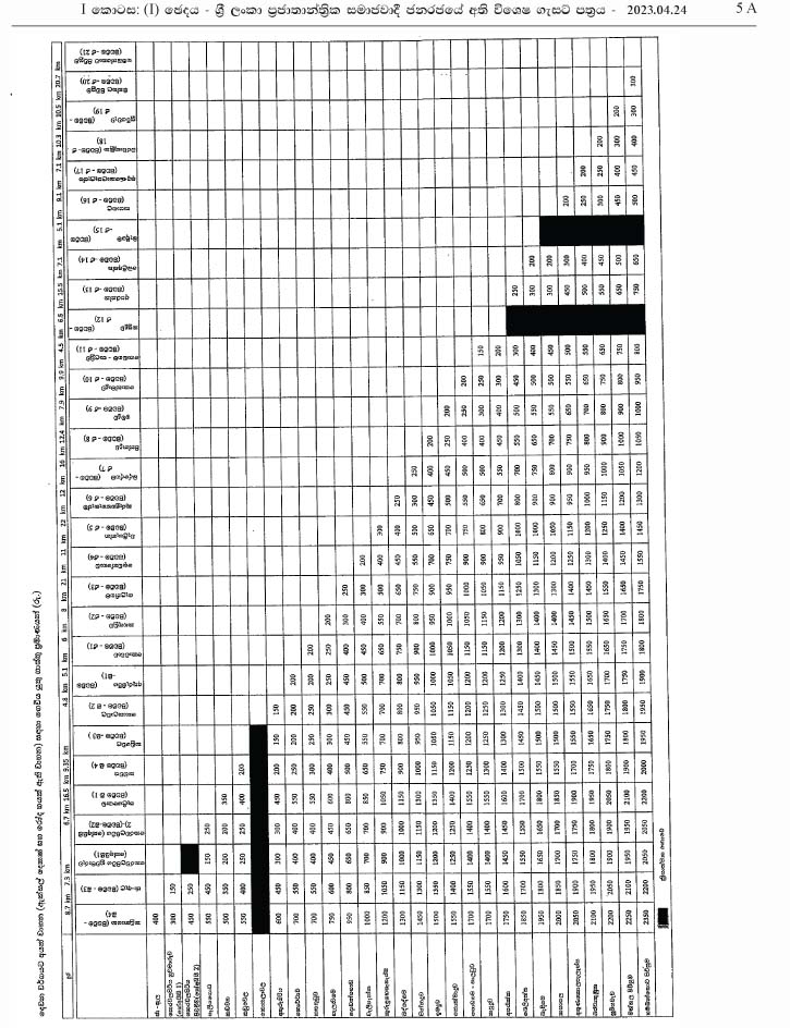
Post Views: 365 ප්රවාහන අමාත්ය බන්දුල ගුණවර්ධන මහතාගේ අත්සනින් නිකුත් කල නවතම ගැසට් නියෝගයක් අනුව අධිවේගී මාර්ග ප්රවේශ ගාස්තු ඉහල නංවා ඇත. මේ සම්බන්ධව වන ගැසට් නිවේදනය පහතින් Post navigation එක්ස්ප්රස් පර්ල් වන්දි වංචාවේ සුලමුල හෙලිවේ ගිණුම් තොරතුරු එළියට. ඉතිහාසයේ පළමුවරට පොලිස්පති තනතුරට කාන්තාවක්.